| |
|
| 适用范围 |
BSMJ系列自愈式低电压并联电容器适用于交流50Hz, 额定电压1200V及以下交流电力系统中,作提高功率因素、减少无功损耗、改善电压质量之用。
|
|
|
| 型号及其含义 |
|
 |
|
| 正常工作条件及安装条件 |
1、温度:周围空气温度上限值+50℃,周围空气温度下限不低于-25℃;
2、湿度:在温度+20℃时,空气湿度达90%;
3、海拔:安装地点的海拔不C过2000m;
4、安装场所:无有害气体和蒸汽,无导电性或爆炸尘埃,无剧烈振动;
5、通风散热:设置两个以上的电容器时,间距>30mm以上,夏季温度较高时应采取有效的散热措施。 |
|
|
| 结构特征 |
1、体积小、重量轻
由于采用锌铝复合金属化聚丙烯薄膜作为材料介质,体积,重量仅为老产品的1/4和1/5。
2、损耗低
损耗角正切实际值低于0.2%所以电容器自身的能耗低、发热少、温升低、工作寿命长、节能效果显著。
3、自愈性能
过电压所造成介质局部击穿能迅速自愈,恢复正常工作,使KK性大大提高。
4、安全性
内装自动放电电阻和过压力隔离器,使用安全KK。
5、不漏油
本产品采用微晶蜡作为主要浸渍剂,常温下呈固态,滴、溶点高于70℃,在使用过程中不渗漏,避免环境污染。
|
|
|
| 主要技术指标 |
1、额定电压:频率50Hz,0.23~1.2kV;
2、额定容量:1~60kvar;
3、容量偏差:0~+10%;
4、损耗角正切值:在50Hz Un下,20℃tgd≤0.2%;
5、极间耐压:极间2.15Un 5秒;
6、Z高允许过电压:1.10Un;
7、过电流:1.30In;
8、自放电特性:电容器断电后3分钟剩余电压从?Un降至50V以下;
9、符合标准:, 。 |
|
|
| 主要规格、数据及外形尺寸 |
|
 |
|
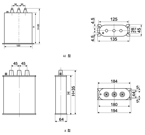
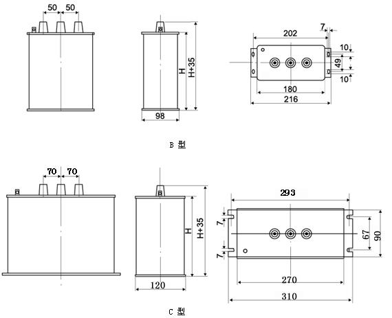
| 外形及安装尺寸 |
|
 |
|
| 订货须知 |
a、额定电压的选用一定要根据实际网路电压选用,不要一味追求选用电压越高越好。选用电压过高时,而使用电压达不到,电容器的实际容量输出将大大降低;
b、谐波较大场合使用电容器一定要采取限制谐波措施。 |
|
|
|
|
| |
|