
LLZ(DXZ) series multi-function turning angle travel limit appliance.
DXZ系列多功能行程限位器用途 Application
型号的功能,用户根据需要,按下以范例准确提出产品的规格和数量。
例1:LLZ-4/7W、DXZ-4/7W
即:限位器的控制回路为4个,传动比 1:274,带有传感器。
例2:LLZ-6/F(600)、DXZ-6/F(600)
即:限位器控制回路6个、非标,传动比1:600,不带传感器。
Function of Model, specification and quantity according to example as follows.
Model 1: LLZ-4/7W,DXZ-4/7W
Limit appliance’s control loop as 4 drive rate :1:274;With sensor
Model 2 :LLZ-6/F(600),DXZ-6/F (600)
Limit appliance’s control loop as 6 drive rate: 1:600 ;Without sensor
DXZ系列多功能行程限位器, 具有结构紧凑、体积小、功能多、精度高、限位可调、通用性强和安装维护及调整方便等特点。它采用可调式的机械记忆结构,性能KK灵敏度高。可对运动机械实现双向减速(或报警)和限位,同时还可装设同步传感器输出对应的电信号给ZXY型显示仪表,可实现行程的瞬时位置显示(如高度、幅度)。
DXZ系列多功能行程限位器的安全功能有:
a. 起升C低限制和保护 ;
b. 起升C高限制和保护 ;
c. 幅度向前终端减速及终端保护 ;
d. 幅度向后终端减速及终端保护 ;
e. 回转正反向限位保护 ;
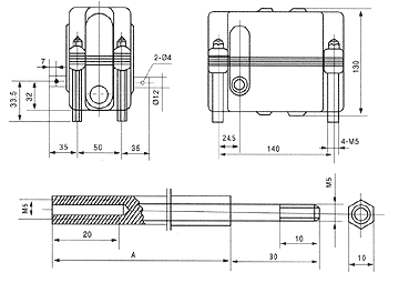
DXZ系列多功能限位器共分传动比 1:13,1:17,1:46,1:60,1:78,1:210,1:274,1:960 共8种规格,控制回路1~4个(非标可达6个), 重复定位精度≤0.3 (记忆凸轮的转角误差)
LLZ(DXZ) series multi travel limit appliance has some character as sensitive structure, small volume, multi-function, high accuracy, moveable, strong communicate and installation convenience. It uses moveable mechanical form, performance credibility and high acuity, it can carries out double speed-down (warning) and limits .
Meanwhile it can installed electro-signal of sensor on type ZXY display meter and instantaneous distance of travel come true (for example : height and scope)
Security of limit appliance as follow:
a: raising over low limit and protection
b: raising over high limit and protection
c: scope towards front speed-down
d: scope towards behind speed-down and protection
e: turn-back positive and negative limit protection
LLZ(DXZ) series multi limit appliance divide drive rate as 1:13,1:17,1:46,1:60,1:78,1:210,1:274,1:960, eight specification in all, control loop 1-4 PCS (No indication can reach 6 PCS), repeat moor accuracy £ 0.3(turning angle error of memory cam)
|