---------------------------------------------------------------------------------------------- |
概述:
GN19-12(C)系列户外高压隔离开关用于额定电压12kV交流50Hz及以下电力系统中,配用CS6-1型手动操动机构,作为在有电压而无负载情况下分、合电路之用,亦有派生产品防污型、高原型和可加装带电显示装置等。
|
|
| ---------------------------------------------------------------------------------------------- |
型号及其含义 |
|
| ---------------------------------------------------------------------------------------------- |
使用环境条件: |
+
海拔:1000~3000m;
+ 周围空气温度:上限+40℃,下限-30℃;
+ 周围环境相对湿度:日平均值不大于95%,月平均值不大于90%;
+ 地震烈度不C过8度;
+ 没有火灾、爆炸危险、严重污秽、化学腐蚀及剧烈振动场所。 |
| ---------------------------------------------------------------------------------------------- |
主要技术参数 |
| 型 号 |
额定电压
(kV) |
额定电流
(A) |
额定短时耐受电流
(4s)(kA) |
额定峰值耐受电流
(kA) |
| GN19-12/400-12.5 |
12 |
400 |
12.5 |
31.5 |
| GN19-12/630-20 |
12 |
630 |
20 |
50 |
| GN19-12/1000-31.5 |
12 |
1000 |
31.5 |
80 |
| GN19-12/1250-31.5 |
12 |
1250 |
31.5 |
80 |
| 8N19-12C/400-12.5 |
12 |
400 |
12.5 |
31.5 |
| GN19-12C/630-20 |
12 |
630 |
20 |
50 |
| GN19-12C/1000-31.5 |
12 |
1000 |
31.5 |
80 |
| GN19-12C/1250-31.5 |
12 |
1250 |
31.5 |
80 |
|
| ---------------------------------------------------------------------------------------------- |
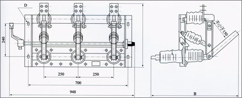
外形及安装尺寸(以下图片可点击放大) |
| |
图1 GN19-12系列 |
| |
|
图2 GN19-12C系列 |
| |
|
|
|
|
|
GN19-12(C)/400 |
GN19-12(C)/630 |
GN19-12(C)/1000、1250 |
|
| |
| 产品型号 |
A |
B |
C |
D |
| GN-19-12/400 |
450 |
446 |
185 |
4~14×24 |
| GN-19/12/630 |
470 |
446 |
185 |
| GN-19/12/1000、1250 |
510 |
500 |
196 |
4~18×28 |
| GN19-12C/400 |
420 |
690 |
185 |
4~14×24 |
| GN19-12C/630 |
430 |
690 |
185 |
| GN19-12C/1000、1250 |
470 |
745 |
196 |
4~18×28 |
|
| ---------------------------------------------------------------------------------------------- |