| |
|
| 适用范围 |
| 本隔离器适用于交流50Hz,额定工作电压400V及直流额定工作电压230V,额定电流1600A及以下的配电电路中,作为电源隔离及电源转换隔离之用。 |
|
|
| 型号及其含义 |
|
 |
|
| 正常工作条件及安装条件 |
1、周围空气温度上限不C过+40℃,24h内其平均值不C过+35℃,周围空气温度的下限不低于-5℃;
2、开关安装地点的海拔不C过2000m;
3、安装地点的空气相对湿度在Z高温度为+40℃时不C过50%,在较低的温度下可允许有较高的相对湿度,Z湿月的月平均Z低温度不C过+20℃,该月的月均Z大相对湿度不C过90%;
4、开关安装地点的环境的污染等级为3级;
5、开关应垂直安装在无振动与冲击的地方。 |
|
|
| 结构特征 |
HD系列刀形隔离器;;HS系列刀形转换隔离器,主要用于AC400V, 50Hz电力网络中作电源隔离或电源转换之用。是电力网络中必不可少的电器元件。主要用于各种低压配电柜、箱、照明箱中,当电源一进入首先是接刀形隔离器。以后再接熔断器、断路器、接触器等其它电器元件,以满足各种配电柜、箱的功能要求。当其以下的电器元件或线路中出现故障,切断隔离电源就靠它来实现,以便对设备、电器元件的修理更换。HS刀形转换开关、主要是用于转换电源,即当一路电源不能供电,需要另一路电源供电时就由它进行转换,当转换隔离器处于中间位置时,可以起隔离作用。
HD12; HD13; 11S12; HS13一般配用杠杆操作机构,用户需要用其相应的BX旋转式操作机构,使配电柜、箱的操作更方便,更美观。 |
|
|
| 主要技术参数 |
|
 |
|
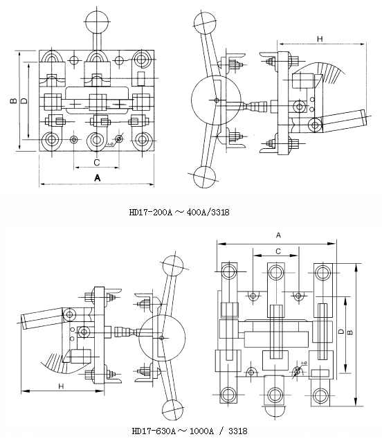
| 外形及安装尺寸 |
|
 |
|
|
|
|
|
| |
|