产品分类
联系我们
+86-021-51082245
- 地址:
- 上海市宝山区陆翔路678弄60号
- 公司:
- 上海山合海融商贸有限公司
- 手机:
- +86-13818244503
- 传真:
- +86-021-51082245
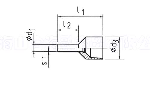
用于抗短路导线的绝缘电缆终端管状端子
添加时间:2015/12/3 20:26:02

用于抗短路导线的绝缘电缆终端管状端子,1.5-16mm2
用于抗短路导线(如 NSGAFOU)
特性
绝缘,无卤化物
耐热温度为 105℃
易进式绝缘结构,方便插入电缆
材料:
铜
合成材料:聚丙烯
表面:镀锡


下一条:绝缘电缆终端管状端子



