产品分类
联系我们
+86-021-51082245
- 地址:
- 上海市宝山区陆翔路678弄60号
- 公司:
- 上海山合海融商贸有限公司
- 手机:
- +86-13818244503
- 传真:
- +86-021-51082245
绝缘无焊料型端子
添加时间:2015/12/3 20:31:27

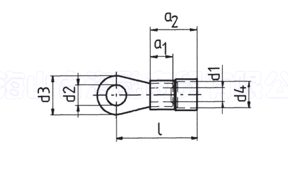
绝缘无焊料型端子,0.1-6mm2
用于细绞线及C细绞线
为简单的导线插入提供易进式绝缘结构
特性
按照 标准进行制造
绝缘插片套管: PA,不含卤化物
可耐受高达 105℃的热度
易进式绝缘结构,方便插入电缆
材料:
Cu-ETP
绝缘套筒 PA
表面:镀锡


上一条:没有了!
下一条:绝缘无焊料型端子



