全国服务热线:+86-021-51082245
网站公告:
上海山合海融商贸有限公司代理销售德国KLAUKE全线产品,欢迎新老客户选购!

联系我们
+86-021-51082245
地址:
上海市宝山区陆翔路678弄60号
公司:
上海山合海融商贸有限公司
手机:
+86-13818244503
传真:
+86-021-51082245
产品中心 Products
绝缘接续端子
添加时间:2015/12/3 21:06:58
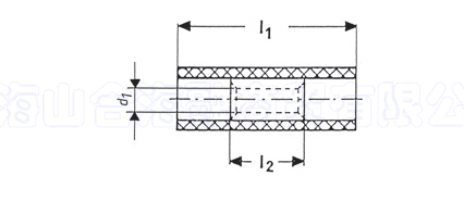
绝缘接续端子

绝缘接续端子,0.1-6mm2

适用于细绞线和C细绞线

带有对接端标识,以利于JQ置入电缆

特性

绝缘插片套管: PA,不含卤化物

导线截面配有颜色标识

材料:Cu-ETP

表面:镀锡

044.png0444.png

上一条:绝缘插片端子

下一条:绝缘接续端子