|
 
LQG-0.5型号电流互感器频率为50Hz,电压为500V及以下的交流线路作为测量电流、电能及继电保护电源之用。

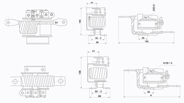
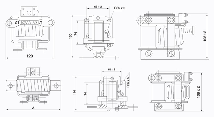
LQG-0.5型电流互感器的铁心系由热轧硅钢板冲成的L型冲片迭成,铁心分上下二柱均套有二次线圈。为补偿互感器的误差,一次线圈只绕在上柱的二次线圈的二次线圈之外,被置于上柱于上柱一方的磁分路所包圈。 在上柱二次线圈之外,并有短路匝装置。而LQG-0.5型电流互感器的铁心系由条形硅钢片迭成,铁心分上下两柱,均套有二次线圈,一次线圈只布置在一个柱的二次线圈之外,并有磁分路作为补偿误差之用。互感器100安及以下的一次线圈出线端焊有接线片。150安及以上的一次线圈出头均为线圈原铜带引出。二次线圈出头接于胶木接线座上,一次及二次线圈起末端均标有P1、P2及S1、S2标志。铁心的夹件由钢板冲成一对弯成直角形的夹件为固定用底座,具有安装孔。另一对夹件销长,在其余的一端装以接地螺栓,另一夹件装有接线座。



4.1互感器在安装时,应有螺栓穿安装孔,固定于支架上。在安装前应测量一次及二次线圈间的绝缘电阻,其值应不低于2M 在接线时特别注意二次线圈必须与负荷确切连接成短路,不可开路,以免投入运行时产生高电压。 4.2 互感器贮存处应该是没有潮湿影响和干燥场所,长期贮存应用纸箱或木箱包装。短期贮存亦应如以遮谏,防止灰尘。如保存期C过一年,应测量绝缘电阻一次。若有显著下降应进行干燥处理。



|