|
 
LZX4-10、LZX5-10、LZXQ4-10、LZXQ5-10、LZX-10Q型电流互感器是在半封闭浇注绝缘结构的老产品LZX-10系列电流互感器的基础上,根据用户关于10kV高压开关柜全工况绝缘要求而改进设计的,改成全封闭浇注绝缘结构,具有较高的动热稳定电流,适于在小型开关柜上安装。 该系列产品适用于50Hz,额定电压10kV及其以下的电力系统中作电流、电能的测量及继电保护之用。



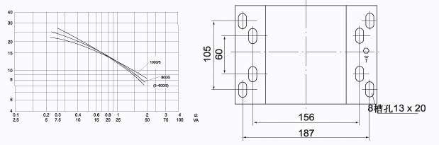
5.1 额定绝缘水平:12/42/75kV; 5.2 额定二次电流5A,或1A; 5.3 负荷的功率因数为0.8(滞后) ; 5.4 主要技术参数见表1、表2; 5.5 保护级准确限值系数与二次输出关系曲线见图1。

本型产品原来是铁心露在外面的半封闭浇注绝缘结构,现在经改进,把铁心也浇注在里面,改成环氧树脂混合胶浇注的全封闭绝缘结构,使产品的绝缘性能、动热稳定性能有了明显的提高,同时防潮、防污秽、耐老化、防火、防窃电、防爆、免维护等性能也有很大提高。该产品体积小、重量轻,适宜于不同位置、任意方向安装。所以很适合在开关柜上使用。

本型产品为户内安装的产品。 Z高气温为+40℃,日平均气温不C过30℃,Z低气温-5℃。



|