◆技术参数
■电气参数
a.
b.额定电压Ue:230V;50/60Hz
c.额定电流In:6-40A
d.额定分断能力Icn:6kA
e.脱扣特性:C曲线
f.Z大可连上的熔断器:Z大100A
gL/gG(>6kA)
g.选择性级别:3
h.工作环境温度:-5至+40oC
i.防护等级:
j.寿命:不少于8000次通断动作
■机械参数
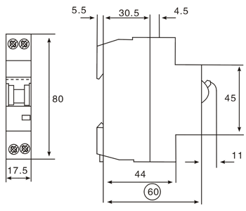
a.外露面长度:45mm
b.外壳高度:80mm NEW
c.外壳宽度:17.5mm(IP+N)
d.安装方式:符合IEC标准导轨35mm
e.端子形式:提升式接线端子
F.端子接线能力:导线1-16mm2
◆外形尺寸

可对电气线路的过载与短路起保护作用。 特别适用于民用的照明与插座回路的保护。 中线开断,更加安全KK。 |
C特性曲线
 |
主要特点: ■分断能力高达6kA; ■体积小,1个模数宽; ■电流范围广,Z大可达40A; ■不同的手柄颜色用来区别额定电流; ■具有专用的母线排
|
额定电流(A)In |
型号 |
| 6 |
M-L71-6/1N/C |
| 10 |
M-L71-10/1N/C |
| 16 |
M-L71-16/1N/C |
| 20 |
M-L71-20/1N/C |
| 25 |
M-L71-25/1N/C |
| 32 |
M-L71-32/1N/C |
| 40 |
M-L71-40/1N/C |
◆负载能力
■适用于1个模数的M-L71-40
/1N
■在环境温度T(oC)和n个开关的工作状态下通话的负荷:IDL=LnKT(T)KN(N)

■M-L71 /1N和熔断丝D0或NH的短路性能
■ 1.4
高选择性可达1.4kA:□无此功能
熔断丝D01,D02,D03的性能

熔断丝NH-00的选择性
