| |
|
| QSA、QA、QP(HH15、HH15P)系列隔离开关、
熔断器组
|
| 适用范围 |
| HH15系列隔离开关熔断器组主要用在短路电流大、功率因数低的供配电线路中作手动不频繁操作的主开关,尤其适合于安装在抽屉式低压成套装置中。 |
|
|
| 型号及其含义 |
|
 |
|
| 正常工作条件及安装条件 |
1、周围空气温度上限不C过+40℃,24h内其平均值不C过+35℃,周围空气温度的下限不低于-5℃;
2、开关安装地点的海拔不C过2000m;
3、安装地点的空气相对湿度在Z高温度为+40℃时不C过50%,在较低的温度下可允许有较高的相对湿度,Z湿月的月平均Z低温度不C过+20℃,该月的月均Z大相对湿度不C过90%;
4、开关安装地点的环境的污染等级为3级;
5、开关应垂直安装在无振动与冲击的地方。 |
|
|
| 结构特征 |
1、全封闭式结构
HH15系列开关为全封闭式结构,BZ性能稳定和提高工作KK性。动、静触头都置于以新型电气工程塑料压制的壳体内,从外面看不到。壳体外仅有接线端子及熔断体插座(HH15)或可以看到的串(HH15A)、并(HH15P)连接的铜导体、操动轴套及辅助触头插座等。装配时有严格的工艺控制,因此用户不宜随意拆装。
2、触头系统
HH15系列开关有其,滚动插入式的触头系统。每一相都有两组这种双断点的触头系统。从结构上来看,由不同长短、粗细和不同数量的滚柱可组成不同的触头系统,两组触头或是并联或是串联,可以满足电流大小不同的电路及不同的工作类别。
采用这种触头系统后,电流分别由四个滚柱通过,使触头闭合时的电动斥力大大减小(理论上,电流1/4,斥力为1/6),而当开关处于闭合状态且有大的短路电流(在极限情况下这个电流可能大于100kA)通过时,则逆平行律使滚柱把静触头夹得更紧。
在运动过程中,滚柱与静触头接触是既有滚动又有滑动摩擦,因而能有效地避免发生熔焊。
3、无关人力操作
HH15系列开关的操作机构有贮能弹簧,因此,尽管分,合闸都是人力操作,但动触头组的运动速度与操作力和操作速度的大小无关,BZ了开关性能的稳定。
4、操动器
操动器是指把人的操作扭矩传递到开关的操作机构轴套上的一整套装置,而手柄是供操作者操作握手的部分。
a、操动器主要由装在面板上的手柄、与手柄啮合的驱动轴组成。延伸轴及轴联轴节只在驱动轴不够长时才使用。实际上,这意味着开关在成套装置柜内安装的需要来考虑,而不用担心这个开关装置的深度与装在面板上的手柄对不起来。
b、手柄装在面板上。
c、手柄结构满足“开关闭合时门不能打开,要开门必须先使开关处于分断位置,门未关好不能闭合”的要求。
d、手柄上有一挂锁拉扣,拉出后锁上挂锁,手柄无论是在分断位置还是在闭合位置,都不能转动,以防无关人员误操作。
e、驱动联轴节在手柄安装平面平行的平面上左右上下都有5mm的游动范围而不会影响正常工作。这样,安装调整容易,不致因调整不够JQ而使操作发生困难。
5、独立的辅助触头
开关可带一个或两个辅助触头盒,每个辅助触头盒有一对常开和一对常闭触头。辅助触头盒为插入式组装,不用螺钉,拆装方便。辅助触头的通断与开关的通断同步。
HH15系列开关的工作过程:操作手柄顺时针旋转,开关闭合;反时针旋转,开关断开。
|
|
|
| 主要技术参数 |
|
 |
|
| 外形与安装尺寸 |
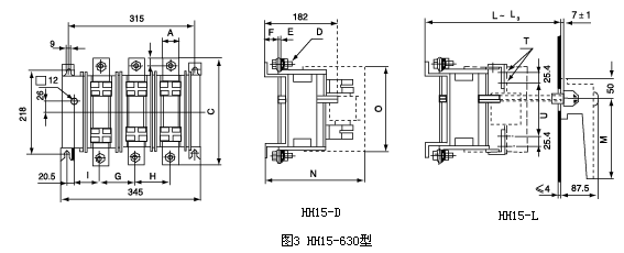
| 1、HH15系列隔离开关熔断器组外形及安装尺寸见图1 ~ 图3及表4 |
 |
|
|
| 2、HH15A系列隔离开关外形及安装尺寸见图4 ~ 图5及表5 |
 |
|
|
| 4、HH15A、HH15P系列隔离开关,HH15系列隔离开关熔断器组面板开孔尺寸见图14 |
 |
|
| 订货须知 |
订货时用户应说明下列内容:
a、产品名称、型号、规格及数量等;
b、自提或送货以及发运,发运须说明单位全称,地址以及运输方式等;
c、购货单位同时应说明开户银行及帐号,以及增值税号等。 |
|
|
|
| |
|