一、慨述
YCQR2-000-1TX(X为1~5)系列产品为用户节省设备投资,降低生产成本,有效利用控制柜的占地面积面设计,制造的。是由一台软起动器分步起动多台民机的智能化产品,它对多台电机起动和停止的控制WQ由软起动器集中实现,而不是市场上大多数的由外围继电器触头互锁来实现,或由PLC来实现。因此,具有功能强、KK性高、外围接线少、性价比高的特点。本起动器可起动5台电压等级相同,功率想同或相近电动机。
二、功能
- 每一电机起动过程可设什为程序自动控制或手动独立控制。参数设置的方法见用户手册。
- 电机起动的时间间隔可爱过参数设定为:3~10分钟,出厂设定为5分钟。
- 当设置为程控时,起动任一台电机后,显示器秒表倒什时显示起动时间间隔,当计时为零时,下一台电机自动起动。依次,直致所有电机起动完毕。
- 当设置为手动独立起动时,起动任一台电机后,显示器秒表倒计时显示另一台电机起动时间间隔,在此期间,封锁对其它电机的起动,从面保护软起动器。只有到秒表计时到零时,显示"READY"时,才能手动起动另一台电机。
三、型号说明

四、外形尺寸
YCQR2-000-1TX-拖多智能电机软起动装置型外形尺寸与YCQR2-000-Z系列尺寸相同。
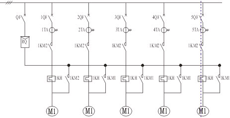
五、控制原理

六、二次接线
七、技术参数
- 控制电源:220VAC;
- 启动接触器、旁路接触器控制继电器接点容量:250VA/5A;
- 故障信号输出继电器为无源信号,容量为:250V/5A;
- Z多拖动电机数:5台;
- 控制方式:2种;
- 起动间隔时间:3分钟~10分种;
- LED显示,按键式参数设置。
八、控制方式
- 手动方式:可任意起/停任一台电机。起动任一台电机后,显示器以秒表倒计进显示间隔时间,此时,软起动器封锁对其它电机的起动,但随时可停机一台,只有倒计时秒表记致零,显示"READY"时,才能对其它电机的起动。
- 程序自动控制方式: 起动任一台电机后,软起动器将从编号小致大起动所有电机,直至所朋电机起动完毕。
- 例如: 起动3# 电机,将按 3 # ?1#?2#?4#?5# 的顺序起动电机。期间用户可根据需要停止任意起动的电机。当所有电机起动完毕后,此时转入手动方式。
九、功能参数显示说明

|